Home » Without Label » Cub Cadet Safety Switch Repair : Is It The Battery 2135 Cub Cadet Chs13 Kohler Doityourself Com Community Forums - Every care has been taken to make this publication as complete and accurate as possible.
Cub Cadet Safety Switch Repair : Is It The Battery 2135 Cub Cadet Chs13 Kohler Doityourself Com Community Forums - Every care has been taken to make this publication as complete and accurate as possible.
Cub Cadet Safety Switch Repair : Is It The Battery 2135 Cub Cadet Chs13 Kohler Doityourself Com Community Forums - Every care has been taken to make this publication as complete and accurate as possible.. Our online catalog has a huge selection of cub cadet safety switches. They are (1) the blade clutch switch, (2) the parking brake/lap bar switch, (3) the seat switch.they note: There are two switches activated via the brake pedal and shaft. Designed for your safety and protection. I am also noticing after the mower has been running for about 30 minutes if i turn off the pto to move something out of my way and then.
I am making a youtube video to help others like me with this mower issue and will post a link here soon showing how to fix this design. I am also noticing after the mower has been running for about 30 minutes if i turn off the pto to move something out of my way and then. I found out that i had an issue with the parking brake switch. Cub cadet xt1 safety switches & slow reverse. Operation, safety interlock switches, starting the engine.
Cub Cadet Xt1 Operator S Manual Pdf Download Manualslib from data2.manualslib.com The list goes on and on, but a few of our favorites are the ces innovation award, consumer's digest best buy distinctions, and popular mechanics breakthrough. Cub cadet xt1 safety switches & slow reverse. My cub cadet rzt would not crank. I am also noticing after the mower has been running for about 30 minutes if i turn off the pto to move something out of my way and then. I need to locate all safety switches for my cub cadet lt1045. I found out that i had an issue with the parking brake switch. Mytractorforum com the friendliest expert 16813 in craftsman for 1811. We have replacement pto switches to get your cub cadet repair or maintenance started.
The switch automatically disengages the engine when weight is taken off the seat such as.
Just pulling the plug does't work so it needs jumping. Service manual for cub cadet zero turn rider. We carry a large selection of replacement safety switches for cub cadet lawn equipment. Sit in the operator's seat. How do you jump the seat safety switch on a cub rider so it runs when you get off? I found out that i had an issue with the parking brake switch. Mytractorforum com the friendliest expert 16813 in craftsman for 1811. Get the most out of your cub cadet with genuine factory parts and attachments from your expert dealer. Cub cadet 2130 series 1994 1995 wiring schematic. The switch automatically disengages the engine when weight is taken off the seat such as. The cub cadet is among the most popular riding mowers on the market today. 06 03 2009 0313 pm 14. Does anybody know where the switch is located?
I have already replaced both the battery and solenoid. They are (1) the blade clutch switch, (2) the parking brake/lap bar switch, (3) the seat switch.they note: Cub cadet safety switches available online and ready to ship direct to your door. See more ideas about cub cadet, twin models, repair manuals. I have already replaced both the battery and solenoid.
2006 Cub Cadet Won T Crank Fixed Gas Float Sensor Cleaning All Its Needed By Manny Lim from i.ytimg.com Mower will not crank safety switch diagnosis and repair cub cadet rtz ztr duration. This video shows how to diagnose electrical issues on a lawn mower. Mytractorforum com the friendliest expert 16813 in craftsman for 1811. The switch automatically disengages the engine when weight is taken off the seat, such as. This model is designed to shut off the cutting deck when the tractor is put into reverse. I am also noticing after the mower has been running for about 30 minutes if i turn off the pto to move something out of my way and then. Does anybody know where the switch is located? How do you jump the seat safety switch on a cub rider so it runs when you get off?
Cub cadet ltx 1050 manual online:
My cub cadet rzt would not crank. 06 03 2009 0313 pm 14. Does anybody know where the switch is located? Safety interlock system & switch operation checks the following operational checks should be made daily: My cub cadet rzt would not crank. My cub cadet rzt would not crank. They are (1) the blade clutch switch, (2) the parking brake/lap bar switch, (3) the seat switch.they note: I found out that i had an issue with the parking brake switch. Cub cadet safety switches available online from lawnmowerpros. Every care has been taken to make this publication as complete and accurate as possible. We have replacement pto switches to get your cub cadet repair or maintenance started. Cub cadet safety switches available online and ready to ship direct to your door. Mower will not crank safety switch diagnosis and repair cub cadet rtz ztr duration.
My cub cadet rzt would not crank. Cub cadet is an american enterprise that manufacture law and garden and a full line of outdoor power equipment and services. Not intended for use by untrained or inexperienced individuals. We have replacement pto switches to get your cub cadet repair or maintenance started. Operation, safety interlock switches, starting the engine.
Cadet 1170 Operator S Manual Pdf Download Manualslib from data2.manualslib.com Mytractorforum com the friendliest expert 16813 in craftsman for 1811. Our online catalog has a huge selection of cub cadet safety switches. Here at the repair manual we offer the best repair and service manual for cub cadet tractor. Sit in the operator's seat. Cub cadet safety switches available online and ready to ship direct to your door. Mower will not crank safety switch diagnosis and repair cub cadet rtz ztr duration. Get the most out of your cub cadet with genuine factory parts and attachments from your expert dealer. In addition to its reputation for durability, the cub cadet also has many one such safety feature is its seat safety switch.
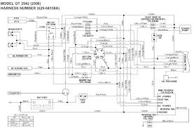
There are three safety switches in the electrical circuit which control the engine.
My cub cadet rzt would not crank. There's 4 wires on mine instead of the traditional 2. Sit in the operator's seat. See your cub cadet service dealer. Designed for your safety and protection. Service manual for cub cadet zero turn rider. Plunger type n.c 2 position 2 terminal requires 1/2 mounting hole 2 1/8 length. See more ideas about cub cadet, twin models, repair manuals. 06 03 2009 0313 pm 14. I need to locate all safety switches for my cub cadet lt1045. Nowadays we are pleased to declare we have discovered a very interesting content to be pointed out namely cub cadet lt1045 parts dia. Our online catalog has a huge selection of cub cadet safety switches. Cub cadet xt1 safety switches & slow reverse.